Charakterystyka: dom parterowy z
poddaszem do późniejszej adaptacji na cele mieszkalne, niepodpiwniczony
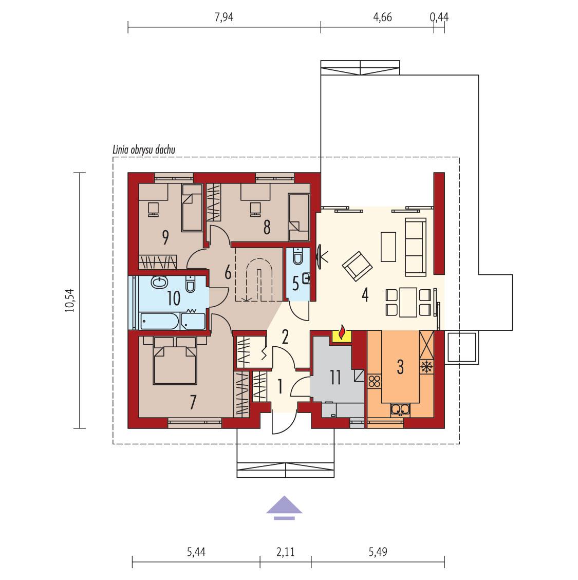
Przeznaczenie: dom dla 3-4-osobowej
rodziny
Technologia
i konstrukcja:
Fundamenty:
ławy,
bloczki betonowe 24 cm, ocieplenie styropian 15 cm
Ściany
zewnętrzne: murowane, murowane, beton
komórkowy firmy H+H, ocieplenie Termo
Organika 20 cm
Ściany
wewnętrzne: murowane, bloczki betonu komórkowego firmy H+H, ściany nośne 24 cm, ścianki działowe
12 cm,
Podłoga
na gruncie: płyta betonowa, ocieplenie styropian 15 cm
Strop:
strop
gęstożebrowy Teriva, ocieplenie wełna mineralna Isover 30 cm
Dach:
konstrukcja
drewniana, blacha na rąbek stojący Classic firmy Ruukki, w przypadku wykorzystania
poddasza jako mieszkalne - ocieplenie dachu: wełna mineralna 30 cm, więźba
dachowa dostępna również w systemie prefabrykacji drewnianej
Rozwiązania instalacje:
Ogrzewanie: kocioł gazowy kondensacyjny, rozprowadzenie ciepła:
grzejniki
Wentylacja: grawitacyjna
OZE: kolektory słoneczne
Wykończenie:
Elewacje:
tynk
cienkowarstwowy mineralny, okładzina z płyty HPL z naturalną okleiną drewnianą firmy Prodema
Stolarka:
drewniana,
PVC lub aluminiowa, drzwi wejściowe firmy Hörmann
Okna
połaciowe: rozwiązania technologiczne firmy VELUX wyłaz dachowy VELUX
Inne: w przypadku
wykorzystania poddasza jako mieszkalne - schody wewnętrzne drewniane
Otoczenie: system tarasowy ProDeck - deska kompozytowa Terra w kolorze platyna i wiśnia
Dostępne wersje:
- Swen II – inna aranżacja
parteru, dach o kącie nachylenia 30°, odmienne wykończenie elewacji; więźba
prefabrykowana
- Odbicie
lustrzane
Istnieje możliwość:
- podpiwniczenia
budynku
- wykonania
budynku w technologii szkieletowej
Atuty projektu okiem architekta:
- Funkcjonalne
i ergonomiczne wnętrze z podziałem na strefę dzienną i nocną
- Wydzielona
garderoba w strefie wejściowej
- Duża, wygodna
kuchnia oferująca wiele możliwości aranżacji
- Duże
przeszklenia od strony ogrodu oraz w jadalni z widokiem na ogród
- Możliwość
wykorzystania poddasza na część mieszkalną
- Możliwość
wykonania adaptacji poddasza w drugim etapie
- Zblokowane
piony instalacyjne - oszczędność na etapie budowy i eksploatacji instalacji
- Podcień jako
ochrona dużego przeszklenia i salonu przed przegrzewaniem
- Zadaszenie
nad wejściem do budynku jako osłona przed niesprzyjającymi warunkami atmosferycznymi
- Atrakcyjna lukarna
doświetlająca przestrzeń poddasza do adaptacji
- Bryła o
bardzo dobrych parametrach cieplnych dzięki odpowiedniej izolacji przegród
zewnętrznych




















