Dom przy Bukowej 48
Specyfikacja i charakterstyka projektu

Kurs Budowy Domu (o wartości 479 zł) w prezencie!
Oferta ważna tylko do 31.12!
Parametry podstawowe
Wizualizacja projektu








Parametry techniczne projektu

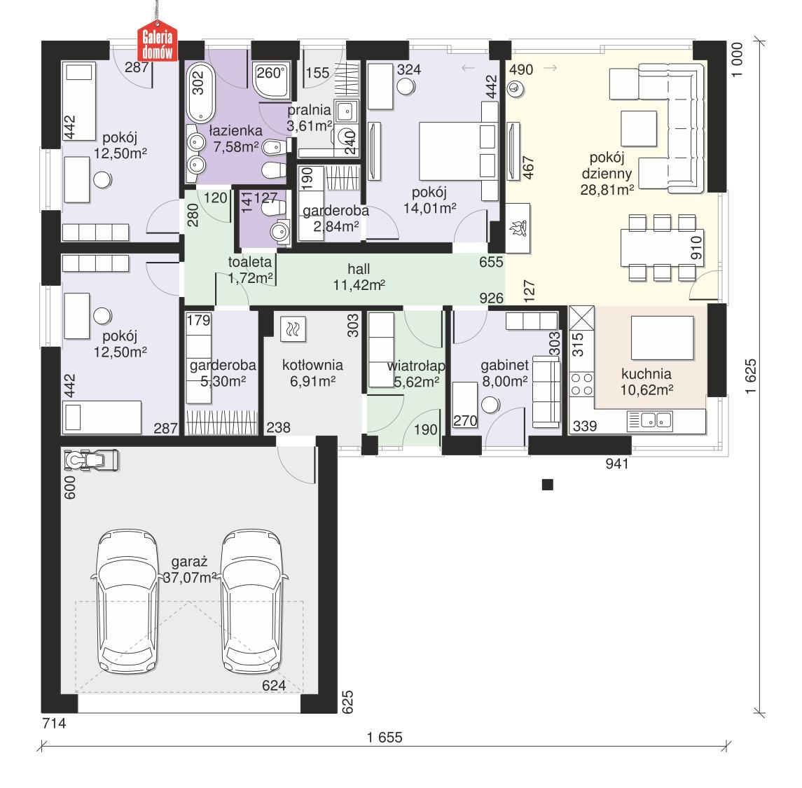
Rzuty projektu - kondygnacje i działka




📂 Uzyskaj rysunki szczegółowe do projektu
Szczegółowy opis projektu
Powiązane kategorie
Informacje szczegółowe
➡ Najczęściej wprowadzane zmiany, warianty i adaptację projektu
💰 Szacunkowy koszt realizacji budowy projektu
🚀 Wycena budowy projektu w technologii szkieletowej/modułowej
Zalety zakupu projektu na wybieramprojekt.pl
Nasze biuro posiada szeroki zakres usług związanych z adaptacją gotowych projektów do warunków konkretnej działki, doradztwem w zakresie kosztorysów i technologii oraz budową domu. Do zakupu każdego projektu dodajemy również obszerny pakiet korzyści.
Pakiet korzyści w zestawie przy zakupie projektu
Uzyskaj informacje o korzystnych kredytach na budowę domu
Skorzystaj z bezpłatnej pomocy eksperta finansowego
💼 Zawartość gotowego projektu architektoniczno-budowlanego
Każdy PROJEKT GOTOWY to wysokiej jakości dokumentacja architektoniczno-techniczna sporządzona wedle wytycznych Prawa Budowlanego, pozwalajaca złożyć dokumentację w urzędzie do zgłoszenia budowy lub do pozwolenia na budowę. Wszystkie nasze projekty gotowe i projekty gotowe autorów, z którymi współpracujemy są zweryfikowane i posiadają zaświadczenie o zgodności projektu z PB. Dostępność i aktualizacje każdego projektu są indywidualnie potwierdzane.
Każdy gotowy projekt jest zgodny z Prawem Budowlanym i zawiera:
- Projekt opisowo-architektoniczny
- Projekt techniczny
- Zgodę na modyfikację projektu i adaptację
- Kopię uprawnień architektów i branżystów
- Projekty domów posiadają charakterystykę energetyczną (brak w projektach garaży i gospodarczych)
Szczegółową zawartość projektu możesz sprawdzić na stronie:
Zawartość projektu gotowego
Każdy projekt gotowy domu jednorodzinnego możemy zanalizować pod kątem zgodności z działką i omówić zmiany planowane w projekcie. Z nami zyskujesz kompleksowo bezpieczeństwo zakupu projektu!
✍🏻 Standardowa zgoda na zmiany do projektu
Co możesz modyfikować?
Standardowa zgoda to szeroki zakres możliwości. Pamiętaj od nas UZYSKASZ INDYWIDUALNĄ DODTAKOWĄ ZGODĘ BEZPŁATNIE na Twoje życzenie.
STANDARDOWO DOŁĄCZANA ZGODY NA ZMIANY obejmuje:
- zmianę funkcji użytkowania pomieszczeń,
- zmiany technologiczne i materiałowe - rodzaj stropu, materiały ścienne, izolacyjne i wykończeniowe, pokrycie dachowe,
- dostosowanie posadowienia budynku do warunków geotechnicznych,
- wykonanie podpiwniczenia budynku,
- zmiany usytuowania ścian działowych,
- zmiana wielkości, ilości i lokalizacji otworów drzwiowych i okiennych,
- zmiana nachylenia kąta połaci dachowej do 5 stopni,
- zmiany w wymiarach zewnętrznych budynku w zakresie 5%,
- zmiana materiałów instalacyjnych i przebiegu instalacji wewnętrznych.
- Warto uzyskać dodatkowa zgodę na zmiany* :
- zmianę sposobu ogrzewania budynku,
- zmianę usytuowania kominów,
- likwidację/doprojektowanie balkonów, podcieni, lukarn,
- zmianę usytuowania i kształtu tarasu,
- podniesienie ścianki kolankowej,
- zmianę wysokości budynku.
w/w zmiany pojawiają się bardzo często już na etapie wykonywania adaptacji, czy też realizacji budowy.
Potrzebujesz więcej informacji technicznych dotyczących projektu, by zamówić projekt domu, zapraszamy. Informację dotyczące warunków zakupu i zwrotów dostępne są na stronie Regulaminu, o szczegółach dotyczących czasu realizacji projektu, warunków zakupu i warunków wymian lub zwrotów poinformuje doradca po sprawdzeniu konkretnych warunków zakładanych przez konkretnego autora projektu.
Warunki zwrotów
ZWROT: Masz 14 dni na zwrot pod warunkiem, że dokumentacja nie jest naruszona, kopiowana i zniszczona.
WYMIANA: do 30 dni 14 na wymianę na inny projekt z oferty tego samego autora, pod warunkiem, że dokumentacja nie jest naruszona, kopiowana i zniszczona. Wymiana do 30 dni ustalana indywidualnie, możliwość wymiany na projekt inny ale tylko z oferty konkretnego autora. Różnice w cenach projektu pokrywa Kupujący.
Informacje dodatkowe:
- Projekty w aktualizacji do nowych Warunków Technicznych.
- Uwaga! Jest to usługa projektowa polegająca na indywidualnym dostosowaniu projektu zgodnie z zamówieniem.
- Niezbędna jest przedpłata w wysokości 100% ceny projektu domu.
- Przedpłata jest bezzwrotna w razie anulowania zamówienia lub zwrotu/wymiany projektu.
W razie wyboru przez Kupującego projektu określonego jako NOWOŚĆ, KONCEPCJA, DO AKTUALIZACJI lub ZAPYTAJ O PROJEKT, tj. projektu sprzedawanego po raz pierwszy dla którego wymagane jest stworzenie pełnej dokumentacji technicznej, Kupujący zobowiązany jest wpłacić zadatek w wysokości 100% wartości wybranego projektu za wykonanie usługi projektowej polegającej na indywidualnym dostosowaniu projektu.
W przypadku anulowania zamówienia, zwrotu/wymiany projektu, oznaczonego jako NOWOŚĆ, KONCEPCJA, DO AKTUALIZACJI lub ZAPYTAJ O PROJEKT przedpłata w wysokości 100% ceny projektu domu jest bezzwrotna. Zamówienie projektu z tej grupy stanowi zamówienie indywidualnej usługi projektowej i nie może być traktowane jako sprzedaż towaru przez Internet.
O szczegółach poinformuje doradca.
Informacje ogólne dotyczące działania sklepu internetowego zawarte są na stronie Regulaminu






